Всепропускающие фильтры (all-pass filter). Основные свойства и структурные схемы всепропускающих фильтров

Содержание

Введение
В данной статье мы введем понятие всепропускающих цифровых фильтров (all-pass filter), которые не вносят амплитудных искажений и их амплитудно-частотная характеристика равна единице, т.е. для всех . Казалось бы, зачем нужен фильтр, который ничего не фильтрует? Но на самом деле всепропускающий фильтр обладает рядом замечательных свойств, которые нашли широкое применение на практике, в частотности в звуковых эквалайзерах, режекторных фильтрах и системах передачи информации. В данной статье мы рассмотрим основные свойства и структурные схемы всепропускающих фильтров. За более подробной информацией можно обратиться к работам проф. Вадьянатхана (P. P. Vaidyanathan), в частности [RMV1] и [V1].

Всепропускающий фильтр первого порядка
Рассмотрим цифровой фильтр первого порядка с передаточной характеристикой :
(1)
Комплексный коэффициент передачи фильтра первого порядка равен:
(2)
тогда квадрат амплитудно-частотной характеристики имеет вид:
(3)
Рассмотрим условия, при которых , т.е.
(4)
откуда следует, что
(5)
Раскроем скобки:
(6)
заметим, что
(7)
Тогда (6) с учетом (7) принимает вид
(8)
Уравнение (8) будет выполнятся, если одновременно будут выполнятся два условия:
(9)
Если коэффициенты цифрового фильтра удовлетворяют условию (9), то такой фильтр является всепропускающим. При этом можно заметить, что условие (9) выполняется если
(10)
тогда передаточная характеристика фильтра равна
(11)
получили вырожденный случай, который не представляет интереса на практике. Можно также заметить и второй частный случай при котором выполняется условие (9):
(12)
тогда передаточная характеристика всепропускающего фильтра первого порядка равна:
(13)
задав можно окончательно представить передаточную характеристику всепропускающего фильтра первого порядка в виде:
(14)
Рассмотрим комплексный коэффициент передачи данного фильтра:
(15)
Тогда ФЧХ фильтра равна:
(16)
Вид ФЧХ всепропускающего фильтра при различных значениях параметра приведен на рисунке 1.

Для просмотра SVG графики Вам необходимо обновить браузер

Для просмотра SVG графики Вам необходимо обновить браузер
Рисунок 1: ФЧХ всепропускающего фильтра первого порядка

Красным выделен случай при , в результате получаем линейную ФЧХ , поскольку фильтр вырождается в элемент задержки . На левом графике показаны ФЧХ при , а на правом показаны ФЧХ при . Таким образом, можно сделать вывод о том, что всепропускающий фильтр первого порядка не искажает амплитудный спектр сигнала, но имеет нелинейную ФЧХ, зависящую от параметра , при этом .

Всепропускающие фильтры высших порядков
Поскольку АЧХ всепропускающего фильтра первого порядка равна единице, то каскад из двух всепропускающих фильтров первого порядка также будет всепропускающим фильтром. Тогда передаточную характеристику всепропускающего фильтра второго порядка можно задать как произведение передаточных характеристик всепропускающих фильтров первого порядка:
(17)
Можно обратить внимание, что коэффициенты знаменателя передаточной характеристики представляют собой зеркально отраженные коэффициенты числителя, т. е. коэффициент при старшей степени знаменателя равен коэффициенту при нулевой степени числителя. Это получается ввиду того, что коэффициенты числителя и знаменателя передаточной характеристики фильтра первого порядка зеркальны.
Аналогично можно получить фильтр третьего порядка как каскад фильтра второго и первого порядков. В общем виде передаточную характеристику всепропускающего фильтра порядка можно записать:
(18)
Например передаточная характеристика фильтра 4-го порядка равна:
(19)
Сделаем замечание. Свойство «зеркальности» коэффициентов числителя и знаменателя всепропускающего фильтра вытекает напрямую из свойства произведения полиномов. Рассмотрим произведение двух полиномов:
(20)
Результатом произведения будет полином
(21)
причем коэффициенты полинома можно рассчитать как линейную свертку коэффициентов полиномов и (этот вопрос был подробно рассмотрен здесь):
(22)
Тогда если полином, который соответствует числителю передаточной характеристики всепропускающего фильтра, полученного в результате каскадного соединения фильтров меньших порядков, то коэффициенты полинома знаменателя рассчитываются как линейная свертка «зеркальных» коэффициентов полинома числителя:
(23)
где – функция зеркального отражения вектора, например .
Другими словами, свертка «зеркально-отраженных» векторов и приводит к зеркальному отражению свертки исходных (не зеркальных) векторов.
Можно также говорить о том, что если коэффициенты числителя передаточной характеристики зеркальны коэффициентам знаменателя, то такой фильтр – всепропускающий. Последнее замечание – необходимое и достаточное условие существования всепропускающего фильтра, которое нам очень пригодится дальше.

Структурные схемы всепропускающего фильтра первого порядка
Перейдем теперь к структурам всепропускающего фильтра. На рисунке 2 показаны структурные схемы всепропускающего фильтра первого порядка.


Рисунок 2: Структурные схемы всепропускающего фильтра первого порядка

Все приведенные структуры эквиваленты и имеют передаточную функцию (14). Схема на рисунке 2.a – каноническая форма всепропускающего фильтра. Если перенести правый сумматор и разместить его под левым, то получим схему «б». Покажем, что передаточная характеристика фильтра «в» и «г» также соответствуют (14). Для этого получим передаточную характеристику фильтра «в». На рисунке 3 еще раз показан фильтр «в» с обозначением z-образов входного , выходного и промежуточных и сигналов.


Рисунок 3: Расчет передаточной характеристики фильтра «в»

По определению передаточная характеристика фильтра есть отношение z-образа выходного сигнала к z-образу входного сигнала. Тогда согласно структуре фильтра «в» можно записать:
(24)
Подставив второе уравнение в первое и третье получим:
(25)
Тогда окончательно подставив в первое уравнение (25):
(26)
Таким образом передаточная характеристика фильтра «в» действительно соответствует (14).
Аналогично можно показать, что передаточная характеристика фильтра «г» соответствует (14). Сделаем это. Фильтр «г» с обозначением z-образов входного , выходного и промежуточных и сигналов показан на рисунке 4.


Рисунок 4: Расчет передаточной характеристики фильтра «г»

Тогда в операторном виде можно записать:
(27)
Для того чтобы рассчитать передаточную характеристику фильтра «г» необходимо выразить и через и подставить в первое уравнение. Для того чтобы выразить и через необходимо решить систему :
(28)
тогда подставив второе уравнение в первое получим
(29)
откуда следует:
(30)
Аналогично подставив первое уравнение системы (28) во второе получим:
(31)
откуда следует что:
(32)
Подставляя (30) и (32) в верхнее уравнение системы (27) получим
(33)
тогда окончательно можно записать:
(34)
Таким образом, мы доказали, что передаточная характеристика фильтра «г» соответствует (14).

Можно сделать вывод о том, что на рисунке 2 приведены эквивалентные структуры всепропускающего фильтра первого порядка. Мы не зря так подробно их рассматривали, поскольку, как мы покажем далее, передаточная характеристика всепропускающего фильтра высшего порядка может быть построена по рекуррентной формуле, и фильтры высших порядков можно строить в виде каскада фильтров первого порядка.


Рекуррентная формула передаточной характеристики всепропускающего фильтра
Передаточная характеристика всепропускающего фильтра порядка удовлетворяет рекуррентному соотношению:
(35)
Другими словами если вместо линии задержки в структуру фильтра первого порядка c коэффициентом подставить каскад в виде линии задержки и всепропускающего фильтра порядка, то получим всепропускающий фильтр следующего порядка .
Докажем, что данная рекуррентная формула верна. Для этого вспомним, что коэффициенты числителя передаточной функции всепропускающего фильтра это зеркально-отраженные коэффициенты знаменателя, тогда передаточную характеристику всепропускающего фильтра порядка можно записать в виде:
(36)
Обратим внимание, что в числителе коэффициент при нулевой степени (при ) равен (коэффициенту при степени знаменателя), тогда
(37)
Подставим (37) в рекуррентную формулу (35):
(38)
Рассмотрим произведение:
(39)
Аналогично представим сумму:
(40)
Тогда выражение (38) можно переписать:
(41)
Обратим внимание, что в числителе коэффициент при нулевой степени, а в знаменателе при степени . Кроме того коэффициенты суммы числителя и суммы знаменателя зеркальны. Покажем это рассмотрев суммы числителя и знаменателя:
(42)
Из уравнения (42) отчетливо видно, что коэффициенты числителя и знаменателя (41) зеркальны, поэтому можно сделать вывод, что рекуррентное соотношение (35) соответствует всепропускающему фильтру.

Структурные схемы всепропускающих фильтров, полученные на основе рекуррентного соотношения
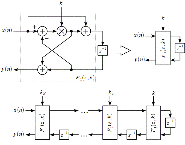
Теперь когда мы знаем рекуррентную формулу передаточной характеристики приведем несколько структурных схем, соответствующих данной формуле. На рисунке 5 показана структурная схема всепропускающего фильтра типа "б".


Рисунок 5: Всепропускающий фильтр типа "б" на основе рекуррентной формулы

На рисунке 6 показана структура всепропускающего фильтра типа «г», полученная на основе рекуррентного соотношения (35).


Рисунок 6: Всепропускающий фильтр типа «г» на основе рекуррентной формулы

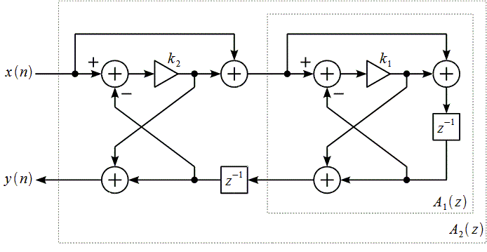
Частный случай – всепропускающий фильтр второго порядка показан на рисунке 7. Данную структуру мы будем в дальнейшем внимательно изучать при построении режекторных фильтров и эквалайзеров.


Рисунок 7: Всепропускающий фильтр второго порядка

Также можно использовать рекуррентное соотношения для построения всепропускающего фильтра любого порядка, как это показано на рисунке 8.


Рисунок 8: Каскадное построение всепропускающего фильтра высшего порядка

Выводы
Таким образом мы ввели понятие всепропускающего фильтра, получили передаточную характеристику всепропускающего фильтра первого порядка, после чего рассмотрели фильтры высших порядков. Мы отмечали, что коэффициенты числителя и знаменателя передаточной характеристики зеркально отражены друг относительно друга, кроме того было показано, как всепропускающие фильтры высших порядков могут быть получены на основе рекуррентного соотношения из фильтров более низкого порядка. Также мы подробно рассмотрели различные структурные схемы всепропускающих фильтров. В следующих статьях мы рассмотрим использование всепропускающих фильтров для построения режекторных фильтров и фильтров эквалайзеров.

Любые вопросы и пожелания вы можете оставить в гостевой книге, на форуме, или прислать по электронной почте admin@sovrednb.ru


Система Orphus
Любое копирование материалов сайта без разрешения автора запрещено.
Разработка и дизайн Бахурин Сергей.